Hallo bin Neu hier und habe ein problem
Mein Carisma BJ 98 GDI Stufenheck
Wenn das Auto Warm ist bzw in einer halle steht fährt er wie immer reibungs los
Wenn er aber drausen nur eine stunde im kalten stand fliegt mir immer die sicherung Nr23 im Motorraum raus
und dann springt er nicht mehr an wenn ich die sicherung tausche fliegt sie wieder raus nur wenn der wagen im warmen seht bleibt sie ganz kann mir einer sagen was das sein kann ???????????????????
Sicherung 23
Thema bewerten![]()
![]()
![]()
![]()
![]()
Frank Carisma 27.02.2015, 15:06
10 Beiträge • Seite 1 von 1
- 0 Beobachter
- 0 Lesezeichen,
- 3272 Zugriffe,
0
- Frank Carisma
-
-

- Fahrschüler

- 27.02.2015
- 1 Themen, 4 Beiträge
- 0x erhalten, 2x gegeben
- mitsubishi Carisma
was ist denn sicherung 23?
0
Die Jungen rennen schneller, aber die Älteren kennen die Abkürzungen!
Mitsubishi Carisma GDI Dynamics, Bj.01, Elek. DK, Schalter, Aut. Klima, ABS, Fließheck, 122PS / 90KW,
Mitsubishi Carisma GDI Dynamics, Bj.01, Elek. DK, Schalter, Aut. Klima, ABS, Fließheck, 122PS / 90KW,
Das ist eine sicherung mit motorzeichen Elektronische Einspritzanlage mehr wei? ich leider auch nicht
Auch nicht was alles daran hängt.
Auch nicht was alles daran hängt.
0
- Frank Carisma
-
-

- Fahrschüler

- 27.02.2015
- 1 Themen, 4 Beiträge
- 0x erhalten, 2x gegeben
- mitsubishi Carisma
Ich bin mir jetzt nicht sicher, aber ich man könnte meinen, dass die Sicherung vielleicht für die Benzinpumpe ist?
Sollte das so sein ist klar warum er nicht anspringt, sobald die Sicherung kaputt ist.
Denn er bekommt dann kein Sprit.
Aber warum die Sicherung immer rausfliegt, sobald er kalt ist kann ich mir auch nicht erklären.
Sollte das so sein ist klar warum er nicht anspringt, sobald die Sicherung kaputt ist.
Denn er bekommt dann kein Sprit.
Aber warum die Sicherung immer rausfliegt, sobald er kalt ist kann ich mir auch nicht erklären.
Die Jungen rennen schneller, aber die Älteren kennen die Abkürzungen!
Mitsubishi Carisma GDI Dynamics, Bj.01, Elek. DK, Schalter, Aut. Klima, ABS, Fließheck, 122PS / 90KW,
Mitsubishi Carisma GDI Dynamics, Bj.01, Elek. DK, Schalter, Aut. Klima, ABS, Fließheck, 122PS / 90KW,
Ja benzinpumpe hängt auch dran aber ich müßte ja wiesen warum diese sicherung im kalten
rausfliegt ?
-- hinzugefügt am 27.02.2015 18:22:
Kann mir den Keiner helfen?

rausfliegt ?
-- hinzugefügt am 27.02.2015 18:22:
Kann mir den Keiner helfen?

0
- Frank Carisma
-
-

- Fahrschüler

- 27.02.2015
- 1 Themen, 4 Beiträge
- 0x erhalten, 2x gegeben
- mitsubishi Carisma
ich könnte es mir so erklären, dass evtl ein kabel etwas abisoliert ist und daher immer die sicherung rausfliegt... kalte luft enthält meist mehr luftfeuchtigkeit, was evtl den schaltkreis überbrückt und den kurzschluss verursacht...
bin aber auch kein fachmann, ist nur ne mutmaßung...
bin aber auch kein fachmann, ist nur ne mutmaßung...
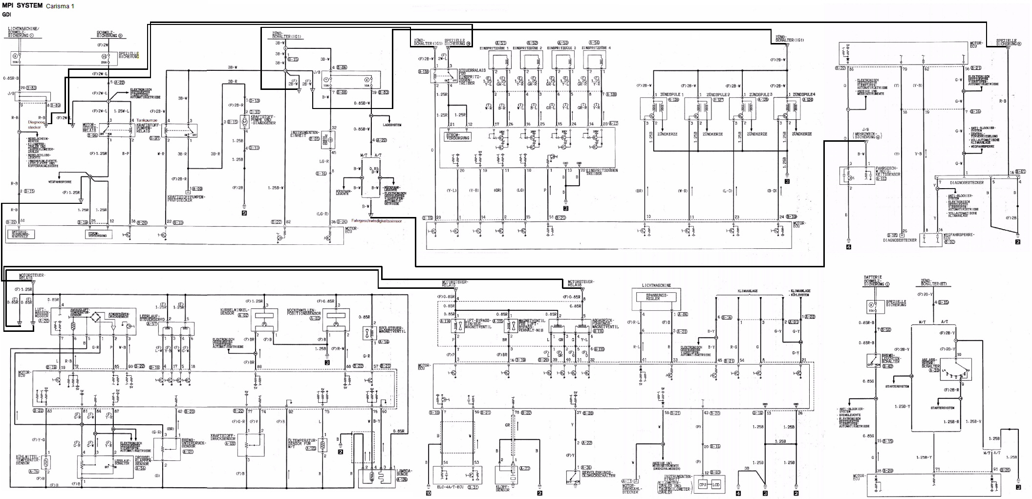
Laut Plan hängt die Kraftstoffpumpe nicht daran,die wird über das Zündschloss angesteuert.
Und das Einspritzsteuerrelais wird auch vom Zündschloss angesteuert,nur die Arbeitsspannung dafür wird von dieser Sicherung zur Verfügung gestellt.
Was mich ein wenig irritiert ist das es die Nr 23 im Schaltplan nicht gibt,sondern nur die 15.
Wann geht die Sicherung denn genau durch ,wenn die Zündung auf ig1 gestellt wird ?
Dann könnte einmal das Einspritzsteuerrelais das Motorsteuerrelais und /oder nachfolgendenTeile sein.
Das sind die Kabel die von dieser Sicherung bedient werden.
Ich setz mal den Posterschaltplan hier ein.
Und das Einspritzsteuerrelais wird auch vom Zündschloss angesteuert,nur die Arbeitsspannung dafür wird von dieser Sicherung zur Verfügung gestellt.
Was mich ein wenig irritiert ist das es die Nr 23 im Schaltplan nicht gibt,sondern nur die 15.
Wann geht die Sicherung denn genau durch ,wenn die Zündung auf ig1 gestellt wird ?
Dann könnte einmal das Einspritzsteuerrelais das Motorsteuerrelais und /oder nachfolgendenTeile sein.
Das sind die Kabel die von dieser Sicherung bedient werden.
Ich setz mal den Posterschaltplan hier ein.
0
MfG Kodiak
Nobody is Perfect!
98 er Carisma LX GDI 170Tkm ABS ,man.Klima,man.Drosselkl.,Trommelbremse H.
TSN.9644-352 Klassifikation:DA2A-LNJGL6
Autohobbywerkstatt
https://picasaweb.google.com/Kodiac2/Carisma18LXGDI98
Nobody is Perfect!
98 er Carisma LX GDI 170Tkm ABS ,man.Klima,man.Drosselkl.,Trommelbremse H.
TSN.9644-352 Klassifikation:DA2A-LNJGL6
Autohobbywerkstatt
https://picasaweb.google.com/Kodiac2/Carisma18LXGDI98
Snake schrieb:28.02.2015, 13:58ich könnte es mir so erklären, dass evtl ein kabel etwas abisoliert ist und daher immer die sicherung rausfliegt... kalte luft enthält meist mehr luftfeuchtigkeit, was evtl den schaltkreis überbrückt und den kurzschluss verursacht...
bin aber auch kein fachmann, ist nur ne mutmaßung...
Hallo Snake.
Ein kleines Veto von mir:
Kalte Luft enthält weniger Feuchtigkeit, weil sie auch nur wenig Feuchtigkeit aufnehmen kann.
Deshalb beschlagen auch kalte Fenster. Luftfeuchtigkeit kondensiert an der Scheibe.
Und deshalb gibt es im Winter die berühmten trockenen, rissigen Lippen.
Also Luftfeuchtigkeit würde ich somit ausschließen.
[klugscheissermodus=off]
Aber es kann schon sein, das die Viskosität vom kalten Sprit höher liegt, er also schlechter pumpfähig ist.
Oder irgendeine Schmierung ist dann zäher.
Lastaufnahme der Benzinpumpe im kalten und im warmen Zustand messen, ob das überhaupt messbar ist.
Sollte man aber mit etwas gezielter Suche und Ausschlußverfahren rausbekommen können.
Gruß
modell65
0
Nicht der Hammer schmiedet das Eisen , sondern der Schmied !
modell65 schrieb:28.02.2015, 20:41Snake schrieb:28.02.2015, 13:58ich könnte es mir so erklären, dass evtl ein kabel etwas abisoliert ist und daher immer die sicherung rausfliegt... kalte luft enthält meist mehr luftfeuchtigkeit, was evtl den schaltkreis überbrückt und den kurzschluss verursacht...
bin aber auch kein fachmann, ist nur ne mutmaßung...
Hallo Snake.
Ein kleines Veto von mir:
Kalte Luft enthält weniger Feuchtigkeit, weil sie auch nur wenig Feuchtigkeit aufnehmen kann.
Deshalb beschlagen auch kalte Fenster. Luftfeuchtigkeit kondensiert an der Scheibe.
Und deshalb gibt es im Winter die berühmten trockenen, rissigen Lippen.
Also Luftfeuchtigkeit würde ich somit ausschließen.
[klugscheissermodus=off]![]()
nagut, dann hab ich nix gesagt...
dachte, es wäre so rum der fall...
0
Vielen Dank für die schnellen anzworten es ein stecknadel große abisulierte stelle am kabel was durch die abdeckung
vom motor eingeklemmt wurde nochmals danke.
vom motor eingeklemmt wurde nochmals danke.
0
- Frank Carisma
-
-

- Fahrschüler

- 27.02.2015
- 1 Themen, 4 Beiträge
- 0x erhalten, 2x gegeben
- mitsubishi Carisma
Unterstützung: (*) Beitrage mit Links zu Amazon und Ebay sind Affililinks. Beim Kauf über diese Links, bekommt DreamCarisma eine Provision, ohne dass du dafür bezahlen musst.
10 Beiträge • Seite 1 von 1
-
Ähnliche Themen
Wer ist online
Mitglieder in diesem Forum: 0 Mitglieder und 3 Gäste
frei von sämtlichen G/G+ Regeln
frei von Viren und Bakterien
Kommunizieren ohne Mund-Nasen-Schutz
ohne Hände waschen, alle Seiten durchstöbern
frei von Viren und Bakterien
Kommunizieren ohne Mund-Nasen-Schutz
ohne Hände waschen, alle Seiten durchstöbern
Mindestabstand voll automatisch durch das Internet
mit mehr als nur einer Person online sein
keine Quarantäne, von überall erreichbar
und ganz wichtig, kein Toilettenpapier nötig.
mit mehr als nur einer Person online sein
keine Quarantäne, von überall erreichbar
und ganz wichtig, kein Toilettenpapier nötig.




