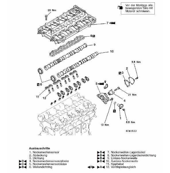
Der Nockenwellenlagerdeckel wird außen mit Dichtungsmasse mehr oder weniger geklebt und innen ist nochmal eine Dichtung.
Die Nockenwellenlagerdeckeldichtung
Heißt: Gasket Camshaft
Nummer: 1015B006
Oder eben: MD346062
1.8 gdi geht immer aus
Thema bewerten![]()
![]()
![]()
![]()
![]()
Doc Brauner 01.01.2015, 16:32
- 1 Beobachter
- 0 Lesezeichen,
- 16705 Zugriffe,
Beobachter: Doc Brauner
Die Jungen rennen schneller, aber die Älteren kennen die Abkürzungen!
Mitsubishi Carisma GDI Dynamics, Bj.01, Elek. DK, Schalter, Aut. Klima, ABS, Fließheck, 122PS / 90KW,
Mitsubishi Carisma GDI Dynamics, Bj.01, Elek. DK, Schalter, Aut. Klima, ABS, Fließheck, 122PS / 90KW,
Die sind aber nich vom 2004er oder?
(geschrieben per Mobile Phone)
(geschrieben per Mobile Phone)
0
- Doc Brauner
-
-

- Fahrschüler

- 01.01.2015
- 2 Themen, 31 Beiträge
- 0x erhalten, 4x gegeben
- mitsubishi carisma 1.8 gdi
Nein, die sind vom Vorfacelift, aber evtl. sind die ja gleich
Das müsste aber jemand sagen, der es besser weiß.
Das müsste aber jemand sagen, der es besser weiß.
0
Die Jungen rennen schneller, aber die Älteren kennen die Abkürzungen!
Mitsubishi Carisma GDI Dynamics, Bj.01, Elek. DK, Schalter, Aut. Klima, ABS, Fließheck, 122PS / 90KW,
Mitsubishi Carisma GDI Dynamics, Bj.01, Elek. DK, Schalter, Aut. Klima, ABS, Fließheck, 122PS / 90KW,
Bin mir nicht mehr 100% sicher, aber meinte der Preface und der Facelift hätten zwei unterschiedliche Ventildeckel gehabt:
Preface einteilig
Facelift zweiteilig
Dementsprechend wäre das von lesw gezeigte Dichtungskit für den Facelift und nicht für den Preface. Zum Vergleich: Schaut in die Werkstattanleitung!!!! Bin ich eigentlich der einzige der das Ding immer wieder durchwälzt?
Wo ich mir aber ziemlich sicher bin, ist dass die Dichtung, auf die die ganzen Pfeile zeigen, zwischen Ansaugbrücke und Zylinderkopf kommen.
Und ich erinnere mich noch dass sie keinen Bremsenreiniger mag 
Dementsprechend müssten zwischen Nockenwellenlagerdeckel und Zylinderkopf die vier Dichtungen ganz rechts außen auf dem Bild kommen.
Preface einteilig
Facelift zweiteilig
Dementsprechend wäre das von lesw gezeigte Dichtungskit für den Facelift und nicht für den Preface. Zum Vergleich: Schaut in die Werkstattanleitung!!!! Bin ich eigentlich der einzige der das Ding immer wieder durchwälzt?
Wo ich mir aber ziemlich sicher bin, ist dass die Dichtung, auf die die ganzen Pfeile zeigen, zwischen Ansaugbrücke und Zylinderkopf kommen.
Und ich erinnere mich noch dass sie keinen Bremsenreiniger mag 
Dementsprechend müssten zwischen Nockenwellenlagerdeckel und Zylinderkopf die vier Dichtungen ganz rechts außen auf dem Bild kommen.
0
"Und noch immer sitzen wir hier.
Bestaunen, was wir nicht in Worte fassen können.
Verfolgen, was wir nicht einholen können.
Und doch lässt es sich mit einem Wort beschreiben:
UnvernunftWas ist die Alternative?
Was ist, wenn wir alle Definitionen streichen müssen, um neu zu bestimmen wer oder was wir sind?"
(We Write The Streets, Format67.net)
Bestaunen, was wir nicht in Worte fassen können.
Verfolgen, was wir nicht einholen können.
Und doch lässt es sich mit einem Wort beschreiben:
UnvernunftWas ist die Alternative?
Was ist, wenn wir alle Definitionen streichen müssen, um neu zu bestimmen wer oder was wir sind?"
(We Write The Streets, Format67.net)
Jepp,alles richtig ,der Vorface hat eine Dichtung ,der Facelift zwei.
Die dritte ist für die Ansaugbrücke.
Warum schreibt ihr eigentlich nicht die Klassifikation in eure Signatur ,dann lässt sich sofort mit ASA das Fahrzeug identifizieren?
Die dritte ist für die Ansaugbrücke.
Warum schreibt ihr eigentlich nicht die Klassifikation in eure Signatur ,dann lässt sich sofort mit ASA das Fahrzeug identifizieren?
0
MfG Kodiak
Nobody is Perfect!
98 er Carisma LX GDI 170Tkm ABS ,man.Klima,man.Drosselkl.,Trommelbremse H.
TSN.9644-352 Klassifikation:DA2A-LNJGL6
Autohobbywerkstatt
https://picasaweb.google.com/Kodiac2/Carisma18LXGDI98
Nobody is Perfect!
98 er Carisma LX GDI 170Tkm ABS ,man.Klima,man.Drosselkl.,Trommelbremse H.
TSN.9644-352 Klassifikation:DA2A-LNJGL6
Autohobbywerkstatt
https://picasaweb.google.com/Kodiac2/Carisma18LXGDI98
Ist soo nicht ganz richtig Kodiak / Furious.
Hier mal ein paar Bilder um zu Zeigen welche Dichtung wofür ist.
Sind zwar nicht alle Eingetragen, weil ich mir nicht gaaanz sicher bei denen war, aber die Wichtigsten sind aufgelistet.
Ich denke jetzt sollte alles klar sein.
Hier mal ein paar Bilder um zu Zeigen welche Dichtung wofür ist.
Sind zwar nicht alle Eingetragen, weil ich mir nicht gaaanz sicher bei denen war, aber die Wichtigsten sind aufgelistet.
Ich denke jetzt sollte alles klar sein.
Die Jungen rennen schneller, aber die Älteren kennen die Abkürzungen!
Mitsubishi Carisma GDI Dynamics, Bj.01, Elek. DK, Schalter, Aut. Klima, ABS, Fließheck, 122PS / 90KW,
Mitsubishi Carisma GDI Dynamics, Bj.01, Elek. DK, Schalter, Aut. Klima, ABS, Fließheck, 122PS / 90KW,
@ lesw:
Sorry, aber das ist falsch!
Die Nummer 3 ist zwischen ASB und Nockenwellenlagerdeckel, 6-9 kommt zwischen Nockenwellenlagerdeckel und Zylinderkopf. Ich bin mir 100% sicher, ich habe die Dichtung mehrfach in der Hand gehabt und beim Carisma noch nie den Ventildeckel runter gehabt. Bitte korrigier das in deinem alten Post, um Missverständnisse vorzubeugen.
Sorry, aber das ist falsch!
Die Nummer 3 ist zwischen ASB und Nockenwellenlagerdeckel, 6-9 kommt zwischen Nockenwellenlagerdeckel und Zylinderkopf. Ich bin mir 100% sicher, ich habe die Dichtung mehrfach in der Hand gehabt und beim Carisma noch nie den Ventildeckel runter gehabt. Bitte korrigier das in deinem alten Post, um Missverständnisse vorzubeugen.
0
"Und noch immer sitzen wir hier.
Bestaunen, was wir nicht in Worte fassen können.
Verfolgen, was wir nicht einholen können.
Und doch lässt es sich mit einem Wort beschreiben:
UnvernunftWas ist die Alternative?
Was ist, wenn wir alle Definitionen streichen müssen, um neu zu bestimmen wer oder was wir sind?"
(We Write The Streets, Format67.net)
Bestaunen, was wir nicht in Worte fassen können.
Verfolgen, was wir nicht einholen können.
Und doch lässt es sich mit einem Wort beschreiben:
UnvernunftWas ist die Alternative?
Was ist, wenn wir alle Definitionen streichen müssen, um neu zu bestimmen wer oder was wir sind?"
(We Write The Streets, Format67.net)
Nein 6-9 stimmt schon das sind die Dichtungen die zwischen ansaugbrücke und novkenwellenlagerdeckel kommt die sind nämlich einzeln in der ansaugbrücke gedrückt
Und die 3 sieht aus alsob das die is die zwischen kopf und NW-lagerdeckel kommt so siehts bei mir jedenfalls aus
(geschrieben per Mobile Phone)
Und die 3 sieht aus alsob das die is die zwischen kopf und NW-lagerdeckel kommt so siehts bei mir jedenfalls aus
(geschrieben per Mobile Phone)
0
- Doc Brauner
-
-

- Fahrschüler

- 01.01.2015
- 2 Themen, 31 Beiträge
- 0x erhalten, 4x gegeben
- mitsubishi carisma 1.8 gdi
@ Furious, Hoffentlich zeigen dir die beiden Bilder, dass du dich leider Irrst. 
@Doc Brauner, endlich mal einer der ebenfalls richtig liegt !

@Doc Brauner, endlich mal einer der ebenfalls richtig liegt !

Die Jungen rennen schneller, aber die Älteren kennen die Abkürzungen!
Mitsubishi Carisma GDI Dynamics, Bj.01, Elek. DK, Schalter, Aut. Klima, ABS, Fließheck, 122PS / 90KW,
Mitsubishi Carisma GDI Dynamics, Bj.01, Elek. DK, Schalter, Aut. Klima, ABS, Fließheck, 122PS / 90KW,
Kann ja sein das das anders aussieht als beim vorface das weiß ich nicht bin in Sachen mitsu nich so bewandelt
0
- Doc Brauner
-
-

- Fahrschüler

- 01.01.2015
- 2 Themen, 31 Beiträge
- 0x erhalten, 4x gegeben
- mitsubishi carisma 1.8 gdi
Im großen und ganzen sind der Vorfacelift und der Facelift GDI-Motor baugleich.
Es gibt lediglich ein paar kleine Veränderungen, wie z.B. elek. DK, Ansaugbrücke Kunststoff
, AGR-Ventil...
Es gibt lediglich ein paar kleine Veränderungen, wie z.B. elek. DK, Ansaugbrücke Kunststoff
, AGR-Ventil...
0
Die Jungen rennen schneller, aber die Älteren kennen die Abkürzungen!
Mitsubishi Carisma GDI Dynamics, Bj.01, Elek. DK, Schalter, Aut. Klima, ABS, Fließheck, 122PS / 90KW,
Mitsubishi Carisma GDI Dynamics, Bj.01, Elek. DK, Schalter, Aut. Klima, ABS, Fließheck, 122PS / 90KW,
Kennt ihr die kleine agr Öffnung an der ansaugbrücke mit dem metallplätchen davor? Ich habs jetz 2 tage lang in Drosselklappenreiniger "eingelegt" bzw geflutet und anschließend durchgepustet mot Luftpistole aber so richtig flüssig läufts immer noch nich durch oder kann mir einer das Prinzip an dem Bauteil erklären wie das da öffnet oder schließt Fals das so geht
0
- Doc Brauner
-
-

- Fahrschüler

- 01.01.2015
- 2 Themen, 31 Beiträge
- 0x erhalten, 4x gegeben
- mitsubishi carisma 1.8 gdi
Dann scheint das noch eine Änderung zwischen Preface und Facelift zu sein. Beim Preface ist da definitiv eine große Dichtung aus Metall mit Kunstoffüberzug zwischen ASB und Nockenwellenlagerdeckel.
Wenn man sich die technischen Daten auch mal anschaut, sieht man dass der Preface sogar "nur" 11,7:1 als Verdichtung hat und der Facelift 12,0:1. Also muss es logischerweise auch noch Änderungen der Kolben, der Pleul oder des Zylinderkopfs gegeben haben.
Nur mal soviel zum Thema "alles gleich"...
Wenn man sich die technischen Daten auch mal anschaut, sieht man dass der Preface sogar "nur" 11,7:1 als Verdichtung hat und der Facelift 12,0:1. Also muss es logischerweise auch noch Änderungen der Kolben, der Pleul oder des Zylinderkopfs gegeben haben.
Nur mal soviel zum Thema "alles gleich"...
0
"Und noch immer sitzen wir hier.
Bestaunen, was wir nicht in Worte fassen können.
Verfolgen, was wir nicht einholen können.
Und doch lässt es sich mit einem Wort beschreiben:
UnvernunftWas ist die Alternative?
Was ist, wenn wir alle Definitionen streichen müssen, um neu zu bestimmen wer oder was wir sind?"
(We Write The Streets, Format67.net)
Bestaunen, was wir nicht in Worte fassen können.
Verfolgen, was wir nicht einholen können.
Und doch lässt es sich mit einem Wort beschreiben:
UnvernunftWas ist die Alternative?
Was ist, wenn wir alle Definitionen streichen müssen, um neu zu bestimmen wer oder was wir sind?"
(We Write The Streets, Format67.net)
Unterstützung: (*) Beitrage mit Links zu Amazon und Ebay sind Affililinks. Beim Kauf über diese Links, bekommt DreamCarisma eine Provision, ohne dass du dafür bezahlen musst.
Zurück zu 💨 Benzin-Motor: MPI und GDI
Wer ist online
Mitglieder in diesem Forum: 0 Mitglieder und 1 Gast
frei von sämtlichen G/G+ Regeln
frei von Viren und Bakterien
Kommunizieren ohne Mund-Nasen-Schutz
ohne Hände waschen, alle Seiten durchstöbern
frei von Viren und Bakterien
Kommunizieren ohne Mund-Nasen-Schutz
ohne Hände waschen, alle Seiten durchstöbern
Mindestabstand voll automatisch durch das Internet
mit mehr als nur einer Person online sein
keine Quarantäne, von überall erreichbar
und ganz wichtig, kein Toilettenpapier nötig.
mit mehr als nur einer Person online sein
keine Quarantäne, von überall erreichbar
und ganz wichtig, kein Toilettenpapier nötig.



