Hallo zusammen. Ich bin ganz neu hier und seit kurzem ist ein carisma mein Eigen. Probleme hat der gute genug, darum ein Problem nach dem andeten.
Wie der titel schon sagt ersaufen meine äußeren ZK's in Öl. Rechts sogar bis über die Spitze hinaus.
Was muss ich tun um das einsickern vom Öl zu unterbinden?
(geschrieben per Mobile Phone)
(geschrieben per Mobile Phone)
Zündkerzen ertrinken in Öl
Thema bewerten![]()
![]()
![]()
![]()
![]()
rookie1977 16.07.2014, 16:38
- 1 Beobachter
- 0 Lesezeichen,
- 6902 Zugriffe,
Beobachter: Nokx
0
Am Besten einen neuen Motor besorgen und einbauen. Da sind die Ölabstreifringe kaputt, und der Rest des Motors ist bestimmt auch ausgeleiert.
0
Moment mal.
Wenn der Brennraum vollläuft, wie AKW Mitarbeiter es denkt. Neuer Motor. Aber damit der Brennraum bis zur Kerze mit öl vollläuft, müsste der Motor auf der Seite oder Kopf liegen!
Wenn die Kerzenschächte vollaufen, und du Öl an den Zündspulen hast, denn erwartet dich eine ausreichende Arbeit. Denn eine Dicke Gummidichtung im Zylinderkopf, die Verhindern soll, dass Öl aus dem ZK in die Kerzenschächte und den Ansaug läuft.
Diese besagte Dichtung härtet mit der Zeit aus und dichtet nicht mehr richtig!
Ergo.
-Abdeckung runter
-Ansaugbrücke runter
-Ventildeckel runter
-"Ein Zwischendtück im Zylinderkopf" (weiß jetzt nicht mehr, ob die Nockenwellen dadurch gelöst werden [also auch Zahnriemen gelockert wird] oder nicht)
- denn kommt die besagte Dichtung!
MfG Marc
Wenn der Brennraum vollläuft, wie AKW Mitarbeiter es denkt. Neuer Motor. Aber damit der Brennraum bis zur Kerze mit öl vollläuft, müsste der Motor auf der Seite oder Kopf liegen!
Wenn die Kerzenschächte vollaufen, und du Öl an den Zündspulen hast, denn erwartet dich eine ausreichende Arbeit. Denn eine Dicke Gummidichtung im Zylinderkopf, die Verhindern soll, dass Öl aus dem ZK in die Kerzenschächte und den Ansaug läuft.
Diese besagte Dichtung härtet mit der Zeit aus und dichtet nicht mehr richtig!
Ergo.
-Abdeckung runter
-Ansaugbrücke runter
-Ventildeckel runter
-"Ein Zwischendtück im Zylinderkopf" (weiß jetzt nicht mehr, ob die Nockenwellen dadurch gelöst werden [also auch Zahnriemen gelockert wird] oder nicht)
- denn kommt die besagte Dichtung!
MfG Marc
No boost, no bottle,
Just the foot on the throttle!
Ist der Motor warm, die Reifen kalt, fährst du quer auf dem Asphalt. xD
Just the foot on the throttle!
Ist der Motor warm, die Reifen kalt, fährst du quer auf dem Asphalt. xD
die ist geklebt also brauchst du motordichtmasse und der deckel hält auch die nockenwellen also kannst du die hydros wenn sie klappern gleich mitmachen
Jej...... das klingt ja nach Spaß.
Also der Brennraum ist sauber. Da dringt kein Öl ein. Es läuft nur in die kerzenschächte. Ich denke ich gucke mal wie lange es dauert bis sie wieder voll laufen. Und bewerte dann ob ich die Arbeit kurzfrisig auf mich nehme.
Erstmal kommen dann die anderen Baustellen.
Der Hobel war geschenkt. Da kann ich ein bisschen Arbeit investieren. Kotflügel war durch, der ist schon neu. Drosselklappe gereinigt und das lästige quitschen der Keilriemen ist beseitigt. Und der rest wird sicher auch noch. Auspuff ist schon bestellt dann ist er wieder leise.
Und dosenweise Sprühkleber für Himmel und turverkleidungen hab ich auch. Fehlt nur etwas Zeit.
Also der Brennraum ist sauber. Da dringt kein Öl ein. Es läuft nur in die kerzenschächte. Ich denke ich gucke mal wie lange es dauert bis sie wieder voll laufen. Und bewerte dann ob ich die Arbeit kurzfrisig auf mich nehme.
Erstmal kommen dann die anderen Baustellen.
Der Hobel war geschenkt. Da kann ich ein bisschen Arbeit investieren. Kotflügel war durch, der ist schon neu. Drosselklappe gereinigt und das lästige quitschen der Keilriemen ist beseitigt. Und der rest wird sicher auch noch. Auspuff ist schon bestellt dann ist er wieder leise.
Und dosenweise Sprühkleber für Himmel und turverkleidungen hab ich auch. Fehlt nur etwas Zeit.

0
Hab ein ähnliches Problem ... Als ich letztens Ne kompressionsmessung gemacht habe und die Kerzen rausgedreht hab. Musste ich feststellen, dass der rechte Zylinder ( wenn man vor dem Auto steht ) in dem Schacht der Kerze etwas Öl war.. kann bei mir ebenfalls die besagte Dichtung kaputt sein ?
(geschrieben per Mobile Phone)
-- hinzugefügt am 17.07.2014 00:42:
Außerdem hatte ausgerechnet dieser Zylinder die meiste kompression... ?
(geschrieben per Mobile Phone)
-- hinzugefügt am 17.07.2014 00:42:
Außerdem hatte ausgerechnet dieser Zylinder die meiste kompression... ?
0
Die Jungen rennen schneller, aber die Älteren kennen die Abkürzungen!
Mitsubishi Carisma GDI Dynamics, Bj.01, Elek. DK, Schalter, Aut. Klima, ABS, Fließheck, 122PS / 90KW,
Mitsubishi Carisma GDI Dynamics, Bj.01, Elek. DK, Schalter, Aut. Klima, ABS, Fließheck, 122PS / 90KW,
Dieses Problem hat aber nichts mit der Kompression zu tun ,da ist einfach die Deckeldichtung ko.
0
MfG Kodiak
Nobody is Perfect!
98 er Carisma LX GDI 170Tkm ABS ,man.Klima,man.Drosselkl.,Trommelbremse H.
TSN.9644-352 Klassifikation:DA2A-LNJGL6
Autohobbywerkstatt
https://picasaweb.google.com/Kodiac2/Carisma18LXGDI98
Nobody is Perfect!
98 er Carisma LX GDI 170Tkm ABS ,man.Klima,man.Drosselkl.,Trommelbremse H.
TSN.9644-352 Klassifikation:DA2A-LNJGL6
Autohobbywerkstatt
https://picasaweb.google.com/Kodiac2/Carisma18LXGDI98
@ lesw1896
Ja es ist das selbe Problem bei dir mit dem Öl im Kerzenschacht.
Dass da die Kompression zufällig höher war, kann unter Umständen am reingelaufenen Öl liegen. Dadurch können die Ränder besser gedichtet haben.
Ja es ist das selbe Problem bei dir mit dem Öl im Kerzenschacht.
Dass da die Kompression zufällig höher war, kann unter Umständen am reingelaufenen Öl liegen. Dadurch können die Ränder besser gedichtet haben.
0
No boost, no bottle,
Just the foot on the throttle!
Ist der Motor warm, die Reifen kalt, fährst du quer auf dem Asphalt. xD
Just the foot on the throttle!
Ist der Motor warm, die Reifen kalt, fährst du quer auf dem Asphalt. xD
@nokx genau das war auch mein erster Gedanke ...
(geschrieben per Mobile Phone)
-- hinzugefügt am 17.07.2014 20:23:
Das wäre eig. Kein Problem die zu wechseln möchte sowieso die hydros säubern und die ventile neu einschleifen.. in dem Zug blaster ich den block mal. Sämtliche dichtungen werden natürlich erneuert. Wenn schon dann richtig
-- hinzugefügt am 17.07.2014 20:24:
Achja und weiß einer vielleicht, wie diese Dichtung genau heißt ?
(geschrieben per Mobile Phone)
-- hinzugefügt am 17.07.2014 20:23:
Das wäre eig. Kein Problem die zu wechseln möchte sowieso die hydros säubern und die ventile neu einschleifen.. in dem Zug blaster ich den block mal. Sämtliche dichtungen werden natürlich erneuert. Wenn schon dann richtig
-- hinzugefügt am 17.07.2014 20:24:
Achja und weiß einer vielleicht, wie diese Dichtung genau heißt ?
0
Die Jungen rennen schneller, aber die Älteren kennen die Abkürzungen!
Mitsubishi Carisma GDI Dynamics, Bj.01, Elek. DK, Schalter, Aut. Klima, ABS, Fließheck, 122PS / 90KW,
Mitsubishi Carisma GDI Dynamics, Bj.01, Elek. DK, Schalter, Aut. Klima, ABS, Fließheck, 122PS / 90KW,
Den genauen Namen von der Dichtung weiß ich jetzt auch nicht mehr.
Für die Teilenummer müsste ich mein alten PC in die gänge bringen oder du haust mal "Frink89" an wegen der Teilenummer. Er hat ebendso das Mitsubishi Teileprogramm.
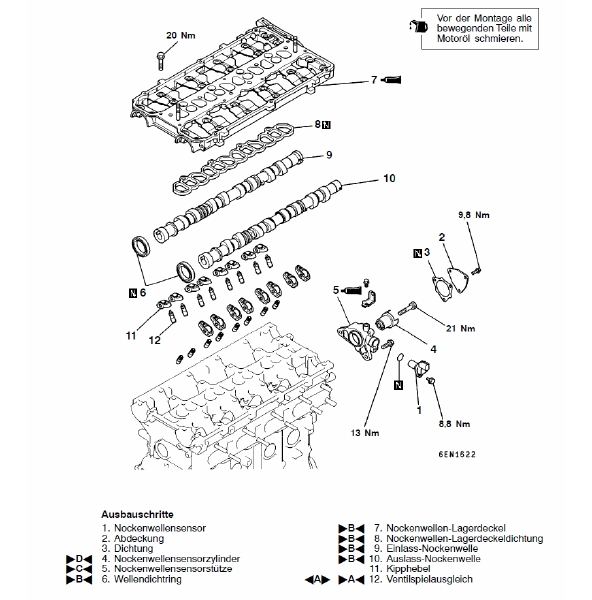
Hab aber mal schnell 2 Bilder ausm netz geholt und mal die Dichtung und Ort Makiert.
Für die Teilenummer müsste ich mein alten PC in die gänge bringen oder du haust mal "Frink89" an wegen der Teilenummer. Er hat ebendso das Mitsubishi Teileprogramm.
Hab aber mal schnell 2 Bilder ausm netz geholt und mal die Dichtung und Ort Makiert.
0
No boost, no bottle,
Just the foot on the throttle!
Ist der Motor warm, die Reifen kalt, fährst du quer auf dem Asphalt. xD
Just the foot on the throttle!
Ist der Motor warm, die Reifen kalt, fährst du quer auf dem Asphalt. xD
Alles klar ich danke dir !
dann werd ich wohl diese in meine Preiskalkulationen mit einbeziehen müssen
dann werd ich wohl diese in meine Preiskalkulationen mit einbeziehen müssen

0
Die Jungen rennen schneller, aber die Älteren kennen die Abkürzungen!
Mitsubishi Carisma GDI Dynamics, Bj.01, Elek. DK, Schalter, Aut. Klima, ABS, Fließheck, 122PS / 90KW,
Mitsubishi Carisma GDI Dynamics, Bj.01, Elek. DK, Schalter, Aut. Klima, ABS, Fließheck, 122PS / 90KW,
Aber wenn ich mir das bild vom Kopf ansehe müssen die Wellen zum tauschen nicht raus, oder täuscht das auf dem Bild?
Ich hatte den Motor bzw. den Ventildeckel noch nicht offen.
(geschrieben per Mobile Phone)
Ich hatte den Motor bzw. den Ventildeckel noch nicht offen.
(geschrieben per Mobile Phone)
0
Der "Nockenwellen-Lagerdeckel" (so heißt der Deckel) zwischen dem Zylinderkopf selber und dem Ventildeckel, der ab muss um an die besagte Dichtung (Nockenwellen-Lagerdeckeldichtung) zu kommen muss ab, also werden die Nockenwellen gelöst.
Entweder hilft dir jemand, der die Nockenwellen festhält beim Austausch, solange der Deckel dazwischen ab ist, oder du machst gleich den Zahnriemen mit und musst den Spanner zurückstellen.
Entweder hilft dir jemand, der die Nockenwellen festhält beim Austausch, solange der Deckel dazwischen ab ist, oder du machst gleich den Zahnriemen mit und musst den Spanner zurückstellen.
0
No boost, no bottle,
Just the foot on the throttle!
Ist der Motor warm, die Reifen kalt, fährst du quer auf dem Asphalt. xD
Just the foot on the throttle!
Ist der Motor warm, die Reifen kalt, fährst du quer auf dem Asphalt. xD
Unterstützung: (*) Beitrage mit Links zu Amazon und Ebay sind Affililinks. Beim Kauf über diese Links, bekommt DreamCarisma eine Provision, ohne dass du dafür bezahlen musst.
-
Ähnliche Themen
Wer ist online
Mitglieder in diesem Forum: 0 Mitglieder und 0 Gäste
frei von sämtlichen G/G+ Regeln
frei von Viren und Bakterien
Kommunizieren ohne Mund-Nasen-Schutz
ohne Hände waschen, alle Seiten durchstöbern
frei von Viren und Bakterien
Kommunizieren ohne Mund-Nasen-Schutz
ohne Hände waschen, alle Seiten durchstöbern
Mindestabstand voll automatisch durch das Internet
mit mehr als nur einer Person online sein
keine Quarantäne, von überall erreichbar
und ganz wichtig, kein Toilettenpapier nötig.
mit mehr als nur einer Person online sein
keine Quarantäne, von überall erreichbar
und ganz wichtig, kein Toilettenpapier nötig.





