Angaben zum Fahrzeug: 1,8L Carisma Bj. 10.1997, 85kW, Benziner (über 270.000km Laufleistung
)habe folgendes Problem: mein erster Schlüssel viel vor langer Zeit auseinander und der im Schlüssel eingebaute Transponder war auch weg. Seit dem benutze ich den zweiten Schlüssel. Dieser ist aber mittlerweile verschlissen, sodass ich oft am Zündschloss Probleme habe, den durchzudrehen.
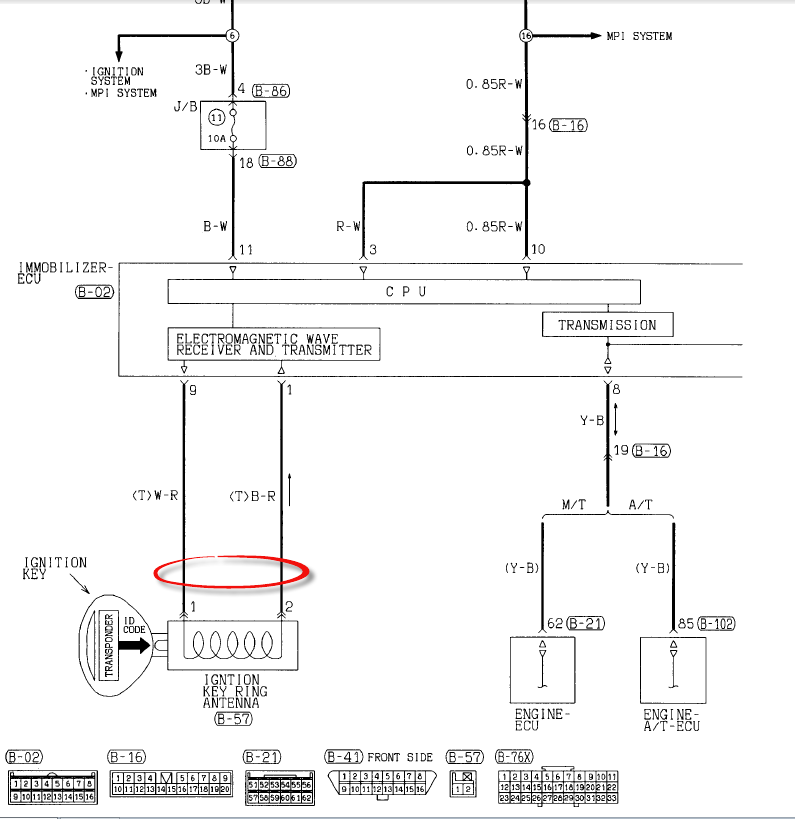
Habe mir gerade den Stromlaufplan angeschaut und die Frage, die ich mir stelle: Reicht es aus, wenn beide Leitungen an der Wegfahrsperre (siehe Bild) gebrückt werden, um diese zu umgehen? Damit könnt ich ja wieder meinen ersten Schlüssel nutzen und muss kein Geld für einen neuen Schlüssel ausgeben.






